ビクセン規格のストレートタイプのアリガタに対応する汎用性の高いアリミゾ台座です。
<多彩な取付け穴、ネジ穴>
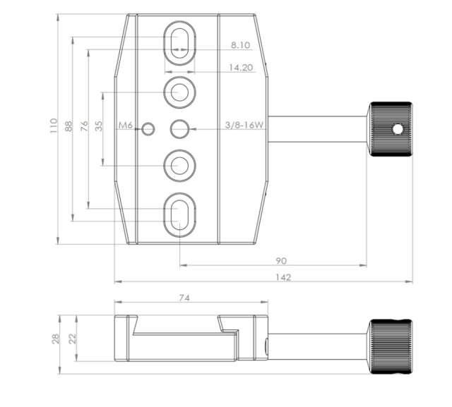
アリミゾの中心線には35mm間隔でM8ネジが通る素通しの穴が、さらに76〜88mmの間隔でM8ネジが通せる長穴が開いています。中央には3/8インチカメラネジ穴があいており、その脇に回転防止のためのM6ネジ穴(ホーロービス付き)が開いています。
<寸法>
長さ:110mm
幅:74mm(本体のみの最も狭めた状態。ロックノブ含まず)
ロックノブの長さ:約70mm
重さ:361g
材質:6061アルミ合金材
<取付仕様>
固定用ネジ穴:真ん中3/8三脚ネジ
M8ネジ用止め穴35mm間隔2箇所、M8ネジ用止め穴(76mm-88mm)2箇所
M6の回転防止用ねじ穴も加工しております。

底面は軽量化を図るため肉抜きがなされています。
<ご注意ください>

※ロックノブの握りはアリミゾ本体底面より低くなりますので大きなプレートに取り付ける時などはご注意ください。
※前後幅が110mmと長いためビクセン製アタッチメントプレートWTはお取付けができません。























