タカハシの6×30ファインダー脚、7×50ファインダー脚などの下部に取り付けることで、ビクセンファインダー互換のアリガタへと変換するアダプターです。タカハシ鏡筒に対して使う場合にはMORE BLUE FG301と組み合わせると便利です。
【仕様】
ビクセンファインダー規格
材質:6061アルミ合金
表面処理:MORE BLUEスベースグレーアルマイト
長さ:30mm
幅:40mm
M6*19mm間隔ネジ穴2箇所
M6*20mm間隔ネジ穴2箇所
M5*28mm間隔ネジ穴2箇所(タカハシファインダー脚対応)



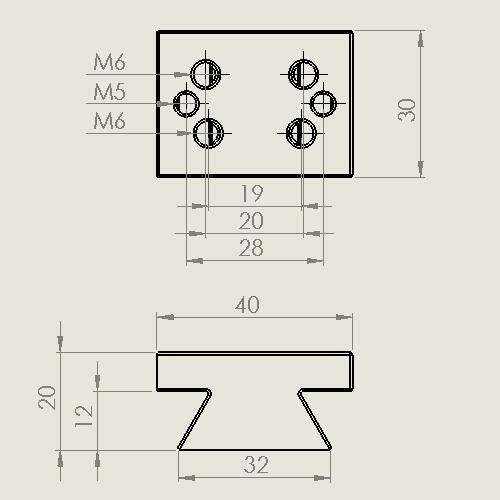
ビクセンファインダー規格
材質:6061アルミ合金
表面処理:MORE BLUEスベースグレーアルマイト
長さ:30mm
幅:40mm
M6*19mm間隔ネジ穴2箇所
M6*20mm間隔ネジ穴2箇所
M5*28mm間隔ネジ穴2箇所(タカハシファインダー脚対応)


























